DC반전압이란? 반전압이 나타나는 원리는?

안녕하세요. 태양광 윤대리입니다.
오늘은 태양광 점검에서 주로 절연을 확인할 때 측정하는 'DC 반전압' 에 대해서 알아보고자 합니다.
목차
1. DC 반전압이란?
2. DC 반전압을 측정하는 이유, 목적
3. DC 반전압 측정방법
4. DC 반전압 측정원리
5. DC 반전압으로 이상확인
1. DC 반전압이란?
DC라인과 접지 사이를 측정했을 때의 전압입니다.
2. DC 반전압을 측정하는 이유
태양광 DC라인은 항상 활선상태입니다.
일반 절연저항계를 사용할 경우 정확한 절연값을 확인하지 못할 뿐더러,
상시 전압이 존재하기 때문에, 테스터기에 영향을 미칠 우려가 있습니다. PV 전용 절연저항계가 없는 경우,
절연저항계 사용을 대신해서 DC라인 절연상태에 대한 이상유무를 판단하기 위해 측정합니다.
3. DC 반전압 측정방법
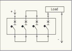
① 계통을 끊은 상태에서 (+)를 분리합니다.
사진처럼 접속반에는 직류차단기가 존재하는데요.
직류차단기는 아래 그림처럼, (+)만 차단되고, (-)는 차단되지 않습니다.

따라서 직류차단기를 개방시킨 뒤 측정하고자 하는 채널의 퓨즈를 개방하여 반전압을 측정합니다.

└ 반드시, 측정하고자 하는 채널의 퓨즈를 개방한 후 측정해야 정확한 반전압이 측정됩니다.
(-)는 커먼되어 있기 때문에 스트링을 구분지을 수 없습니다.
② DC라인 (+) ,(-) 중 한 선과, 접지선(G) 간에 전압을 측정합니다.
*경우 1) 절반 전압이 확인됨과 동시에 줄어듭니다. 줄어든 전압은 0V에 수렴하듯 떨어집니다.
└ 완전히 0에 수렴하진 않습니다.
*경우 2) 일정 전압이 확인되고, 일부 전압이 줄어들지만 100V이하로 줄어들지 않습니다.
*경우 3) 전압이 애초부터 매우 낮은 수치로 측정됩니다.
*경우 4) 개방전압이 측정되며, 전압이 감소하지 않습니다.
*경우 5) 반전압에 가까운 전압이 측정되나 빠르게 줄어들지 않습니다.
경우 1은 정상입니다.
아래 DC 반전압 원리에서 그 이유를 설명드리겠습니다.
경우 2는 절연이상입니다.
모듈,커넥터,전선 일부에 소손이 발생하여 절연이상이 발생한 가능성이 있습니다.
경우 3은 (+)극 지락입니다.
정확하기 측정하기 위해서는 음극에서의 반전압을 측정해보면 됩니다.
음극에서 측정 시 개방전압에 가까운 전압이 측정될 경우, 지락을 예상할 수 있습니다.
경우 4는 (-)극 지락입니다.
경우 3과 반대입니다.
경우 5는 접지가 TT접지가 아닌 TN접지일 경우에 발생합니다.
대지와 폐회로를 구성하는게 아니라,
접지선과 중성선 사이 폐회로를 구성하게 되면 저항값이 낮아 빠르게 전압이 떨어지지 않습니다.
Q) 왜 개방상태에서 측정하나요? 동작상태에서 측정해도 되지않나요?
└ 안됩니다.
그 이유는, 우선 +와 -는 인버터 내부에서 각각 커먼됩니다. (일반적으로 MPPT별 구분)
그렇기 때문에, 각 회로의 이상유무를 판단하기 위해서는 퓨즈를 하나하나 개방하고 측정해야 합니다.
*커먼(common) : 공통으로 결합된다는 의미입니다.
4. DC 반전압 원리
태양광 DC라인에서는 접지를 하지 않습니다.
(물론, 등전위 본딩접지는 하지만, AC의 중성점과 같은 전기접지를 하지 않는다는 것입니다.)
접지가 되어있지 않은 비접지의 경우에는 중성점이 0V가 됩니다.
접지가 영전위이기 때문에, (+),(-)와 접지선 사이 전압 측정 시, 반전압이 측정되는 것 입니다.
스트링(회로)의 전압이 700V일 경우, (+)와 접지간 350V, (-)와 접지간 350V를 예상할 수 있습니다.
그림과 함께 설명하겠습니다.

(1) 계통과 DC라인 (+)극만 분리된 상태에서, 테스터기를 이용하여 하나의 극과 접지(G)간에 전압을 측정합니다.
다소 난해한 그림과, 생소한 내용으로 이해가 어려울 수 있을 것 같습니다.
쉽게 이야기하면, 인버터 내 IGBT라는 트랜지스터가 존재하는데, 직류에서 교류로 바꾸는 핵심적인 역할을 합니다.
IGBT소자는 (+)와 (-)라는 개념을 지우고 (L)와 (N) 이라는 개념으로 바꿔 버립니다.
DC 220V를 생산하는 모듈이 있다고 가정하겠습니다.
트랜지스터에 의해서 DC라인의 양극 (+110V, -110V)이 활선과 중성선(220V, 0V)로 변환됩니다.
DC와 AC는 전기적으로 상호간 연결이 되어있다고 볼 수 있습니다.
즉 양극의 전위는 110V를 형성하고 있고, 중성선의 전위는 0V를 형성하기 때문에,
개방회로에서 양극과 접지간에 전압은 순간적으로 110V가 측정되는 것입니다.
이러한 이유로 반전압이 측정되는 것입니다.
■ 전압이 떨어지는 이유
반전압은 중성선과 대지를 거쳐 흐릅니다. 중성선은 고유저항이 매우 낮기 때문에 0Ω으로 보아도 무방하지만,
대지저항은 평균적으로 10Ω정도의 저항값을 가지고 있습니다. 고유저항의 저항값에 비교한다면 몇백배 큰 수치죠.
이러한 대지저항은 에너지를 소모합니다.
일반적인 동작상태에서 전압이 유지되는 이유는 전하(+)와 정공(-)이 서로 오가는 구도가 형성되었기 때문입니다.
(+)에서 전하가 이동하고 (-)에서 정공을 받는다고하면 되겠네요.
이것을 '소모와 충전이 반복되면서 지속적인 전압생산이 가능하다'라고 표현할 수 있겠습니다.
반면에, 반전압의 경우에는 (+)를 개방시키기 때문에 단방향으로만 전하 또는 정공이 이동하게 됩니다.
이것은 충전은 발생하지 않고 소모만 진행되므로 전압은 계속 떨어지게 되는 것이죠.
5. DC 반전압으로 이상확인
2번에서도 설명드렸지만, 다시 한번 정리하는 차원에서 적어보았습니다.
지락일 경우, (양극과 접지 측정으로 생각하겠습니다.)
(1) 양극(+) 지락 발생 시, 0V에 가까운 전압이 측정됩니다.
(2) 음극(-) 지락 발생 시, 개방전압에 가까운 전압이 측정됩니다.
(마찬가지로 반대로 측정 시, (-)와 접지간에는 전압이 측정되지 않습니다.)
누설일 경우, 지락과 유사하지만, +와 접지, -와 접지 간 모두 전압이 측정되긴 합니다.
그러나 한쪽에 전압이 쏠리게 되죠. (누설 정도에 따라 쏠리는 크기차이가 발생합니다.)
상대적으로 전압이 낮은 쪽에 절연이상 원인이 있을 가능성이 높습니다.
<관련글>
[태양광AS] 태양광 발전정지 / 반전압 에러 / 태양광 접지저항 예상 값
태양광 발전정지 / 반전압 에러 / 태양광 접지저항계 예상 값 안녕하세요. 태양광 윤대리입니다. 모니터링 중에 지속적으로 발전정지가 발생하는 사이트에 방문하였습니다. 반전압을 측정하였
22tomorrow.tistory.com
[전기,전자] 태양광 반전압에 대해서 (현장체크)
반전압에 대해서 아직 반전압에 대해서 정확한 내용으로 설명드리긴 어렵습니다. 반전압이 어떤 개념인지만 파악하시는데 도움이 되셨으면 좋겠습니다. (작성중이어서 문어체로 작성한 바람에
22tomorrow.tistory.com
이상으로 DC반전압에 대해 알아보았습니다.
궁금한 점이나, 사실과 다른 내용이 있으면 공유부탁드립니다! :-)
모두 반영하여 수정하겠습니다.
감사합니다.

'■ 전기·전자' 카테고리의 다른 글
| [전기,전자] 개방전압이 동작전압보다 더 높은이유, 개방전압 동작전압 차이 (0) | 2023.10.03 |
|---|---|
| [전기,전자] 누설전류 원인, 누설전류 해결방법 (1) | 2023.09.25 |
| [전기,전자] 차단기의 구성 및 동작원리 (0) | 2023.09.23 |
| [전기,전자] 정격전류 차단전류 허용전류에 대해서 (1) | 2023.09.23 |
| [전기,전자] 누설 지락 누전의 차이는? (0) | 2023.09.22 |